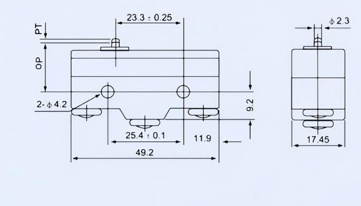
Az önszereplési nyomáshatár-mikro kapcsoló egy automatikus vezérlőelem, amelyet mechanikus mozgás vált ki. Alapvető funkciója egy objektum elmozdulásának vagy löketének észlelése az áramkörök megnyitásának és bezárásának, a berendezések indításának és leállításának elérése, vagy a védelem korlátozása érdekében. Ez egy nélkülözhetetlen „biztonsági sentinel” és „akcióparancsnok” az ipari automatizálás és az elektromechanikus berendezések területén.
Kapcsoló Bevezetéselárasztás
Az utazási kapcsoló (más néven határkapcsoló) egy automatikus vezérlőelem, amelyet mechanikus mozgás vált ki. Alapvető funkciója egy objektum elmozdulásának vagy löketének észlelése az áramkörök megnyitásának és bezárásának, a berendezések indításának és leállításának elérése, vagy a védelem korlátozása érdekében. Ez egy nélkülözhetetlen „biztonsági sentinel” és „akcióparancsnok” az ipari automatizálás és az elektromechanikus berendezések területén.
Kapcsoló Alkalmazotttion
A Combine Harvester vágási platform -emelési mechanizmusa egy utazási kapcsolóval van felszerelve, amely beállítja a vágási platform "minimális működési magasságát" és "szállítási magasságát". A betakarítás során, ha a vágási platform túlságosan leereszkedik (a talaj közelében, esetleg lekaparva a talajt), akkor a kapcsolót a hidraulikus rendszer vezérlésére indítják a vágási platform emelése érdekében; A szállítás során, amikor a vágási platform a legmagasabb helyzetbe emelkedik, akkor a kapcsoló bekapcsolja a vágóplatform magasságát, megakadályozva a rázást a vezetés során. A vetőmag vetőmagdobozában az utazási kapcsoló felismeri a vetőmag szintjét. Amikor a vetőmagok kifogynak, a kapcsoló riasztási eszközt indít, hogy emlékeztesse a kezelőt a magok hozzáadására, megakadályozva az elmulasztott vetést.
Kapcsoló Részletek
