A Yueqing Tongda által az általános célú precíziós vezérléshez kifejlesztett központi mikrokapcsolóként a PCB Terminal Button Micro Switch sorozat a „kompakt kialakítás és a gyors, pontos kioldás” köré épül. A mikrokapcsolók gyártásában szerzett 38 éves tapasztalatával egyesíti az érzékeny választ, a hosszú élettartamot és a széleskörű alkalmazkodóképességet, így kulcsfontosságú elemévé válik a fogyasztói elektronika, az ipari vezérlés, az intelligens otthoni eszközök és egyebek áramkör-vezérlésének, megbízható utazásérzékelést és funkcionális be- és kikapcsolási megoldásokat biztosítva a berendezésekhez.
Mikrokapcsoló Bevezetés
A Yueqing Tongda által az általános célú precíziós vezérléshez kifejlesztett központi mikrokapcsolóként a HK-20 sorozat a „kompakt kialakítás és a gyors, pontos kioldás” köré épül. A mikrokapcsolók gyártásában szerzett 38 éves tapasztalatával egyesíti az érzékeny választ, a hosszú élettartamot és a széleskörű alkalmazkodóképességet, így kulcsfontosságú elemévé válik a fogyasztói elektronika, az ipari vezérlés, az intelligens otthoni eszközök és egyebek áramkör-vezérlésének, megbízható utazásérzékelést és funkcionális be- és kikapcsolási megoldásokat biztosítva a berendezésekhez.
A szabadalmaztatott, gyorskioldó mechanizmus segítségével a trigger válaszideje ≤8 ms, ami 25%-kal javítja a teljesítményt a hagyományos mikrokapcsolókhoz képest. A kioldó mozgása pontosan 0,3-1,0 mm között van szabályozva, 1,5-4N üzemi erőtartománnyal. A nyomógomb visszajelzése tiszta és éles, nem ragad vagy nem szabad játékot kölcsönöz, lehetővé téve a „könnyű érintéssel a csatlakozáshoz, az elengedéssel a töréshez” precíz vezérlését, amely tökéletesen megfelel a nagy kioldóérzékenységet igénylő helyzetekben. Az érintkezők nagy tisztaságú ezüst-ón ötvözetből készülnek, és precíz ponthegesztéssel vannak megmunkálva, ≤30mΩ kezdeti érintkezési ellenállással. A névleges terhelés támogatja az 1A/250V AC és 3A/125V AC feszültséget, hatékonyan megakadályozva az érintkezők felmelegedését vagy leégését, amikor áram halad át rajta.
Alkalmazkodik a funkciógombokhoz és a hordozható nyomtatók, Bluetooth headsetek és intelligens hordható eszközök utazásérzékeléséhez. Miniatűr mérete tökéletesen illeszkedik az eszközök kompakt kialakításához, érzékeny aktiválása pedig fokozza a felhasználói élményt. Egy jól ismert szórakoztatóelektronikai márka alkalmazása után a termék gombhibáinak javítási aránya 60%-kal csökkent.
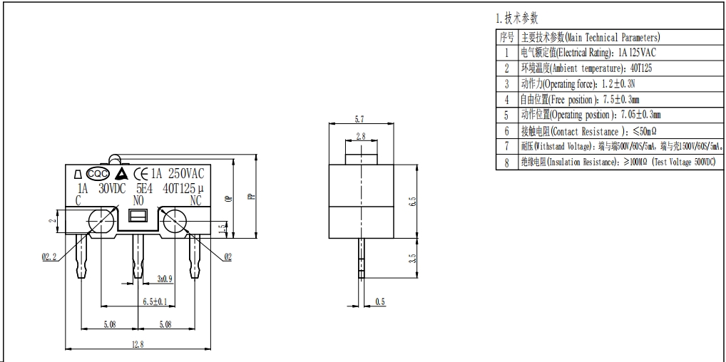
Mikrokapcsoló paramétere (specifikáció)
| TÉTEL | Fő műszaki paraméterek |
| 1 | Elektromos besorolás: 1A/3A 250VAC |
| 2 | Elektromos élettartam: Min.10000 ciklus |
| 3 | Érintkezési ellenállás: <50mΩ |
| 4 | Működési erő: 70±20gf |
| 5 | Szabad pozíció:7,3±0,2mm |
| 6 | Működési helyzet: 7,0±0,2 mm |
| 7 | Környezeti hőmérséklet: T85° |
| 8 | Feszültségállóság: A terminál és a kivezetés között 500V/5S/5mA; |
| A sorkapcsok és a ház között 1500/5S/5mA | |
| 9 | Szigetelési ellenállás:>100MΩ Tesztfeszültség 500VDC |
| 10 | Proof Tracking Index PTI :175V |
Mikrokapcsoló részletei
