A Yueqing Tongda Wire Electric Factory mikrokapcsoló-sorozatának benchmark modelljeként a hűtőgépekhez és elektromos játékokhoz való Normally Open Automatic Reset Micro Switch fő előnye a "nagy érzékenység, az ultrahosszú élettartam és a több forgatókönyvhöz való alkalmazkodóképesség". A cég 35 éves kapcsológyártási szakértelmét integrálva a minimális érintkezési távolságnak és a gyors működési mechanizmusnak köszönhetően a háztartási gépek, az autóelektronika, az ipari automatizálás és más területek kulcsfontosságú vezérlőelemévé vált. Teljesítményét és megbízhatóságát több tekintélyes szervezet tanúsította világszerte, ezzel biztosítva fő pozícióját a piaci réseken.
Mikrokapcsoló Bevezetés
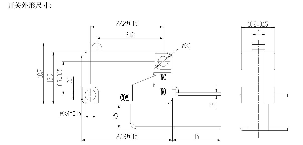
A HK-14 sorozat rendkívül rugalmas testreszabási lehetőségeket kínál, hogy megfeleljen a különböző alkalmazási követelményeknek. A működési erő testre szabható (karmentes állapotban 5,0 N-nál kisebb, standard 30±15 gf), 0,6-1,5 mm-es üzemi lökettartománnyal, különböző kioldóerő- és elmozdulási forgatókönyvekhez. A kar stílusok testreszabhatók, beleértve az egyenes, hajlított és görgős karokat, amelyek megfelelnek a különböző mechanikus erőátviteli szerkezeteknek. A kapcsolatfelvételi űrlapok az SPDT (1NO 1NC), a NO és az NC teljes skáláját lefedik.
Mikrokapcsoló paramétere (specifikáció)
| A kapcsoló műszaki jellemzői: | |||
| TÉTEL | Műszaki paraméter | Érték | |
| 1 | Elektromos minősítés | 5(2)A/10A/16(3)A/21(8)A 250VAC | |
| 2 | Érintkezési ellenállás | ≤30mΩ Kezdeti érték | |
| 3 | Szigetelési ellenállás | ≥100MΩ (500VDC) | |
| 4 |
Dielektromos Feszültség |
Között nem csatlakoztatott terminálok |
1000V/0,5mA/60S |
|
A terminálok között és a fém keret |
3000V/0,5mA/60S | ||
| 5 | Elektromos élettartam | ≥50000 ciklus | |
| 6 | Mechanikai élettartam | ≥1000000 ciklus | |
| 7 | Üzemi hőmérséklet | -25-125 ℃ | |
| 8 | Működési frekvencia |
elektromos : 15 ciklus Mechanikai: 60 ciklus |
|
| 9 | Rezgésálló |
Rezgés frekvencia: 10 ~ 55HZ; Amplitúdó: 1,5 mm; Három irány: 1H |
|
| 10 |
Forrasztási képesség: A bemerített rész több mint 80%-a forraszanyaggal kell lefedni |
Forrasztási hőmérséklet: 235±5 ℃ Merítési idő: 2-3S |
|
| 11 | Forrasztási hőállóság |
Merítési forrasztás: 260±5℃ 5±1S Kézi forrasztás: 300±5℃ 2~3S |
|
| 12 | Biztonsági jóváhagyások | UL, CSA, VDE, ENEC, TUV, CE, KC, CQC | |
| 13 | Tesztkörülmények |
Környezeti hőmérséklet: 20±5 ℃ Relatív páratartalom: 65±5%RH Légnyomás: 86-106 KPa |
|
Mikrokapcsoló funkció és alkalmazás
Mikrokapcsoló részletei
