A Yueqing Tongda Wire Electric Factory mikrokapcsoló-sorozatának etalonmodelljeként a HK-14 magas hőmérsékletnek ellenálló, 16A 250 V-os nagyáramú mikrohullámú mikrokapcsoló fő előnye a „nagy érzékenység, az ultrahosszú élettartam és a több forgatókönyvhöz való alkalmazkodás”. A cég 35 éves kapcsológyártási szakértelmét integrálva a minimális érintkezési távolságnak és a gyors működési mechanizmusnak köszönhetően a háztartási gépek, az autóelektronika, az ipari automatizálás és más területek kulcsfontosságú vezérlőelemévé vált. Teljesítményét és megbízhatóságát több tekintélyes szervezet tanúsította világszerte, ezzel biztosítva fő pozícióját a piaci réseken.
Mikrokapcsoló Bevezetés
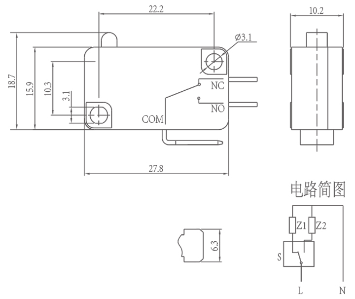
A HK-14 sorozat rendkívül rugalmas testreszabási lehetőségeket kínál, hogy megfeleljen a különböző alkalmazások követelményeinek. A működési erő testreszabható (kevesebb, mint 5,0 N kar nélküli állapotban, általában 30±15gf), 0,6 és 1,5 mm közötti üzemi lökettartományban, különféle kioldóerő- és elmozdulási forgatókönyvekhez igazodva. A kar stílusok testreszabhatók, beleértve az egyenes karokat, a hajlított karokat és a görgős karokat, hogy megfeleljenek a különféle mechanikus erőátviteli szerkezeteknek. Az érintkezőtípusok közé tartozik az SPDT (1NO+1NC), NO és NC, amelyek a teljes tartományt lefedik, hogy megfeleljenek az egyszeres vezérlés, reteszelés és egyéb áramkör-tervezési igényeknek.
Telepítési és használati útmutatók
Beszereléskor a kapcsolót sík felületre kell felszerelni, és lapos alátéttel vagy rugós alátéttel kell rögzíteni, hogy elkerüljük az egyenetlen felületek által okozott meghibásodást vagy a burkolat sérülését. Válasszon modelleket a környezet alapján: párás vagy poros körülmények esetén a védelem fokozása érdekében ajánlatos egy zárt egyedi változatot használni. Ne kenje be kenőolajjal a gombot vagy a működtető szerkezetet, hogy megelőzze az érintkezők összetapadását, a működési hibákat vagy akár a kiégést. Tárolás közben tartsa a terméket száraz, szellőző helyen, esőtől és hótól védve, és kerülje a magas hőmérsékletet és páratartalmat, amely az alkatrészek elöregedését okozhatja, biztosítva a termék eredeti teljesítményének megőrzését.
Mikrokapcsoló paramétere (specifikáció)
| A kapcsoló műszaki jellemzői: | |||
| TÉTEL | Műszaki paraméter | Érték | |
| 1 | Elektromos minősítés | 5(2)A/10A/16(3)A/21(8)A 250VAC | |
| 2 | Érintkezési ellenállás | ≤30mΩ Kezdeti érték | |
| 3 | Szigetelési ellenállás | ≥100MΩ (500VDC) | |
| 4 |
Dielektromos Feszültség |
Között nem csatlakoztatott terminálok |
1000V/0,5mA/60S |
|
A terminálok között és a fém keret |
3000V/0,5mA/60S | ||
| 5 | Elektromos élettartam | ≥50000 ciklus | |
| 6 | Mechanikai élettartam | ≥1000000 ciklus | |
| 7 | Üzemi hőmérséklet | -25-125 ℃ | |
| 8 | Működési frekvencia |
elektromos : 15 ciklus Mechanikai: 60 ciklus |
|
| 9 | Rezgésálló |
Rezgés frekvencia: 10 ~ 55HZ; Amplitúdó: 1,5 mm; Három irány: 1H |
|
| 10 |
Forrasztási képesség: A bemerített rész több mint 80%-a forraszanyaggal kell lefedni |
Forrasztási hőmérséklet: 235±5 ℃ Merítési idő: 2-3S |
|
| 11 | Forrasztási hőállóság |
Merítési forrasztás: 260±5℃ 5±1S Kézi forrasztás: 300±5℃ 2~3S |
|
| 12 | Biztonsági jóváhagyások | UL, CSA, VDE, ENEC, TUV, CE, KC, CQC | |
| 13 | Tesztkörülmények |
Környezeti hőmérséklet: 20±5 ℃ Relatív páratartalom: 65±5%RH Légnyomás: 86-106 KPa |
|
Mikrokapcsoló funkció és alkalmazás
Mikrokapcsoló részletei
