A Yueqing Tongda Cable Power Plant reprezentatív termékeként, amely megtestesíti az alapvető szabványosítás és testreszabás integrációját, a gázvízmelegítő és gáztűzhely mikrokapcsoló kapcsolót a „stabilitás, megbízhatóság és jelenet-kompatibilitás” alapelvei szerint tervezték. Ez magában foglalja a vállalat 35 éves kapcsológyártási szakértelmét, és többszörös optimalizálást ér el az elektromos teljesítmény, a védelmi szintek és a felhasználói élmény terén. A kapcsoló széles körben alkalmazható olyan forgatókönyvekben, mint az intelligens otthoni áramelosztás, az ipari segédberendezések és a kisméretű orvosi műszerek, így előnyben részesített áramköri vezérlőelem, amely egyensúlyba hozza az univerzalitást a testreszabási lehetőségekkel.
Mikro kapcsolóBevezetés
A HK-04G-L kapcsoló a legfontosabb paraméterek gyakorlati követelményeire összpontosít, és megfelel a különféle forgatókönyvekre vonatkozó alapvető szabályozási szabványoknak. Az érintkezők ezüst-ón ötvözetből készülnek és precíziós hegesztéssel vannak megmunkálva, kezdeti érintkezési ellenállásuk ≤8mΩ. Megbízhatóan képes 10A-16A váltakozó áramot szállítani (névleges feszültség 250V AC), amely megfelel a legtöbb háztartási és kis ipari eszköz teljesítményigényének, hatékonyan megelőzi az érintkezők túlmelegedését vagy az áram túlterhelése okozta eróziót.
A kioldó és az élettartam teljesítménye egyformán megbízható: billenő típusú kioldószerkezetet használ, 1,3-1,6 mm-es nyomóúttal és 1,5-3 N között szabályozott működési erővel. Az aktiválási visszajelzés világos és gördülékeny, így a mindennapi használat során nem valószínű, hogy "nem reagáló nyomás" lesz. A mechanikai élettartam eléri a 80 000 préselési ciklust, az elektromos élettartam pedig meghaladja az 50 000 ciklust. A nagyfrekvenciás használatú eszközökben, például hűtőszekrényekben, kis ventilátorokban és kereskedelmi nyomtatókban 3-5 évig képes stabil működést elérni.
A környezeti alkalmazkodóképesség megfelel a hagyományos forgatókönyv-követelményeknek: A termék -30°C és 80°C közötti hőmérsékleti tartományban működik, északi télen képes kezelni az alacsony hőmérsékletet, nyáron pedig hőelvezetést; szigetelési ellenállása ≥50MΩ (500VDC), a kapocsfeszültség pedig eléri a 800V AC-t, ami megfelel a háztartási és kereskedelmi használatra vonatkozó biztonsági elektromos szabványoknak. Ezenkívül a burkolat égésgátló ABS anyagból készült (az UL94 V-1 szabványnak megfelelő), csökkentve az áramköri rövidzárlatok által okozott biztonsági kockázatokat.
Mikro kapcsolóAlkalmazás
Okosotthonban és háztartásban a HK-04G-L kompakt méretével (kb. 20×15×10mm, H×Sz×M) könnyen integrálható intelligens elosztódobozokba, fali aljzatokba és kis készülékek vezérlőpaneljébe. Jelenleg több hazai intelligens otthon márka által használt alkatrészré vált olyan funkciókhoz, mint a világításvezérlés és a készülékek áramellátása. Az egyik márka arról számolt be, hogy az ezzel felszerelt termékek meghibásodási aránya 40%-kal alacsonyabb, mint a hagyományos kapcsolóké.
Kisméretű ipari és kereskedelmi forgatókönyvekben a termék alkalmas kis szállítószalag-berendezések, kereskedelmi kávéfőzők, irodai nyomtatók és egyéb eszközök teljesítményszabályozására. A sorkapocs csatlakozási szerkezetének optimalizálásával támogatja a gyors huzalozást, növelve az eszközök összeszerelésének hatékonyságát. Korábban egy kereskedelmi készülékgyártó személyre szabott változata a kapocstávolság beállításával megfelelt a berendezésük kompakt belső huzalozási követelményeinek, 25%-kal javítva a telepítés hatékonyságát.
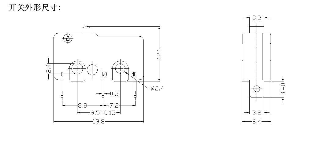
Mikro kapcsoló Specifikáció
| A kapcsoló műszaki jellemzői: | |||
| TÉTEL | Műszaki paraméter | Érték | |
| 1 | Elektromos minősítés | 5(2)A 125V/250VAC 10(3)125V/250VAC | |
| 2 | Érintkezési ellenállás | ≤50mΩ Kezdeti érték | |
| 3 | Szigetelési ellenállás | ≥100MΩ (500VDC) | |
| 4 |
Dielektromos Feszültség |
Között nem csatlakoztatott terminálok |
500V/0,5mA/60S |
| A terminálok között és a fém keret |
1500V/0,5mA/60S | ||
| 5 | Elektromos élettartam | ≥10000 ciklus | |
| 6 | Mechanikai élettartam | ≥100000 ciklus | |
| 7 | Üzemi hőmérséklet | -25 ~ 125 ℃ | |
| 8 | Működési frekvencia | Elektromos: 15 ciklus Mechanikai: 60 ciklus |
|
| 9 | Rezgésálló | Rezgés frekvencia: 10 ~ 55HZ; Amplitúdó: 1,5 mm; Három irány: 1H |
|
| 10 | Forrasztási képesség: A bemerített rész több mint 80%-a forraszanyaggal kell lefedni |
Forrasztási hőmérséklet: 235±5 ℃ Merítési idő: 2-3S |
|
| 11 | Forrasztási hőállóság | Merítési forrasztás: 260±5℃ 5±1S Kézi forrasztás: 300±5℃ 2~3S |
|
| 12 | Biztonsági jóváhagyások | UL, CSA, VDE, ENEC, CE | |
| 13 | Tesztkörülmények | Környezeti hőmérséklet: 20±5 ℃ Relatív páratartalom: 65±5%RH Légnyomás: 86 ~ 106 KPa |
|
Tongda vezetékes elektromos Micro USB beépített tápkapcsoló Részletek

